STC Packings
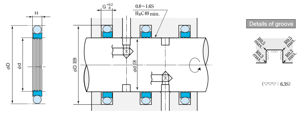
Sakagami STC-Seals combine S-FLON (PTFE) with rubber O-rings for superior rod sealing performance. Their specially designed inner profile ensures tight contact and smooth sliding, outperforming conventional seals. Built for precision applications, STC-Seals are sensitive to scratches—handle with care to maintain optimal sealing integrity.
Dimension table
| Packings & Groove dimensions(Unit:mm) | Part No. | |||
|---|---|---|---|---|
| d | D | H | G | Standard material(PT 174) |
| 16 | 23.5 | 3 | 3.2 | STC-16 |
| 18 | 25.5 | 3 | 3.2 | STC-18 |
| 20 | 27.5 | 3 | 3.2 | STC-20 |
| 22 | 29.5 | 3 | 3.2 | STC-22 |
| 25 | 32.5 | 3 | 3.2 | STC-25 |
| 28 | 35.5 | 3 | 3.2 | STC-28 |
| 30 | 37.5 | 3 | 3.2 | STC-30 |
| 32 | 39.5 | 3 | 3.2 | STC-32 |
| 36 | 43.5 | 3 | 3.2 | STC-36 |
| 40 | 51 | 4 | 4.2 | STC-40 |
| 45 | 56 | 4 | 4.2 | STC-45 |
| 50 | 61 | 4 | 4.2 | STC-50 |
| 55 | 66 | 4 | 4.2 | STC-55 |
| 60 | 71 | 4 | 4.2 | STC-60 |
| 65 | 76 | 4 | 4.2 | STC-65 |
| 70 | 81 | 4 | 4.2 | STC-70 |
| 80 | 91 | 4 | 4.2 | STC-80 |
| 90 | 101 | 4 | 4.2 | STC-90 |
| 100 | 111 | 4 | 4.2 | STC-100 |
| 105 | 116 | 4 | 4.2 | STC-105 |
| 110 | 121 | 4 | 4.2 | STC-110 |
| 115 | 126 | 4 | 4.2 | STC-115 |
| 120 | 131 | 4 | 4.2 | STC-120 |
| 125 | 136 | 4 | 4.2 | STC-125 |
| 130 | 141 | 4 | 4.2 | STC-130 |
| 135 | 146 | 4 | 4.2 | STC-135 |
| 140 | 151 | 4 | 4.2 | STC-140 |
| 150 | 161 | 4 | 4.2 | STC-150 |