SFR wiper
Sakagami SFR dust seals are low-friction seals designed for pneumatic cylinders used in indoor environments. They protect packings and cylinder internals from dust intrusion while supporting smooth operation. Best suited for clean, room-atmosphere conditions—SFR seals are not recommended for heavy-duty or outdoor applications.
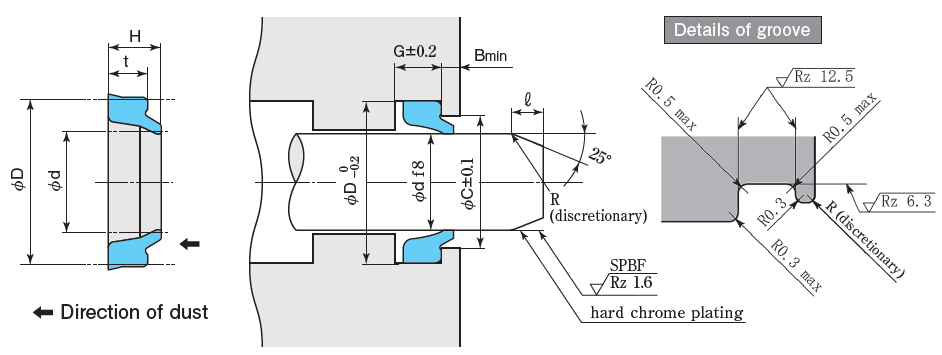
Dimension table
| Wipers & Groove dimensions(Unit:mm) | Part No. | |||||||
|---|---|---|---|---|---|---|---|---|
| d | D | H | t | G | C | B | Standard(RN 912) | High temperature-resistant(RF 905) |
| 16 | 24 | 6 | 4.5 | 5 | 20.3 | 2 | SFR-16K | SFR-16KF |
| 18 | 26 | 6 | 4.5 | 5 | 22.3 | 2 | SFR-18K | |
| 20 | 28 | 6 | 4.5 | 5 | 24.3 | 2 | SFR-20K | |
| 22 | 30 | 6 | 4.5 | 5 | 26.3 | 2 | SFR-22K | |
| 22.4 | 30.4 | 6 | 4.5 | 5 | 26.7 | 2 | SFR-22.4K | |
| 25 | 33 | 6 | 4.5 | 5 | 29.3 | 2 | SFR-25K | |
| 28 | 36 | 6 | 4.5 | 5 | 32.3 | 2 | SFR-28K | |
| 30 | 38 | 6.5 | 5 | 6 | 34 | 2 | SFR-30K | SFR-30F |
| 31.5 | 39.5 | 6.5 | 5 | 6 | 35.5 | 2 | SFR-31.5K | |
| 32 | 40 | 6.5 | 5 | 6 | 36 | 2 | SFR-32K | |
| 35 | 43 | 6.5 | 5 | 6 | 39 | 2 | SFR-35K | SFR-35KF |
| 35.5 | 43.5 | 6.5 | 5 | 6 | 39.5 | 2 | SFR-35.5K | |
| 36 | 44 | 6.5 | 5 | 6 | 40 | 2 | SFR-36K | SFR-36F |
| 40 | 48 | 6.5 | 5 | 6 | 44 | 2 | SFR-40K | |
| 45 | 53 | 6.5 | 5 | 6 | 49 | 2 | SFR-45K | |
| 50 | 58 | 6.5 | 5 | 6 | 54 | 2 | SFR-50K | |
| 55 | 63 | 6.5 | 5 | 6 | 59 | 2 | SFR-55K | |
| 60 | 68 | 6.5 | 5 | 6 | 64 | 2 | SFR-60K | |
| 63 | 71 | 6.5 | 5 | 6 | 67 | 2 | SFR-63K | |
| 70 | 80 | 8 | 6 | 7 | 75 | 3 | SFR-70K | |
| 75 | 85 | 8 | 6 | 7 | 80 | 3 | SFR-75K | |
| 80 | 90 | 8 | 6 | 7 | 85 | 3 | SFR-80K | |